Натисни и виж цените и условията в акция
Натисни и виж базовата ценова листа
Натисни и поискай индивидуална оферта
Натисни и виж условията за доставка
Натисни и виж продуктовия каталог
Натисни и виж инструкциите за монтаж
Натисни и виж сертификатите
Натисни и виж декларациите за ХСП
ПЕЛЕТНИ ГОРЕЛКИ БЕЗ ВЪТРЕШЕН ШНЕК - BURNIT Pell Eco V2.1

НАЛИЧНИ В ИЗПЪЛНЕНИЯ:
ТЕХНИЧЕСКИ ХАРАКТЕРИСТИКИ - BURNiT Pell Eco V2.1

| Описание | Мярка |
Pell 35 Eco V2.1 |
Pell 55 Eco V2.1 |
| Номинална мощност | kW | 35 | 55 |
| Акционна цена на пелетна горелка BURNIT Pell Eco V2.1 |
лв / бр
с ДДС
|
1604,55 | 3513,10 |
| Минимална / максимална мощност | kW | 5 - 35 | 15 - 55 |
| Консумирана мощност в процес на запалване | W | 400 | 400 |
| Консумирана мощност в режим на работа | W | 60 - 70 | 60 - 70 |
| Електрическо захранване | V / Hz | 230 AC / 50 | 230 AC / 50 |
| Гориво | Дървесни пелети ф6-ф8 / EN 14961-2 :2011 | ||
| Комплект за присъединяване към котел | ✔ | ✔ | |
| Настройка на мощността | ✔ | ✔ | |
| Ефективност на горивния процес | % | 99 | 99 |
| Отдадена топлина | % | 96 | 96 |
| Тегло на горелката | kg | 17 | 20 |
| Минимален препоръчителен размер на горивната камера - Височина | mm | 350 | 350 |
| Минимален препоръчителен размер на горивната камера - Ширина | mm | 450 | 450 |
| Минимален препоръчителен размер на горивната камера - Дълбочина | mm | 450 | 550 |
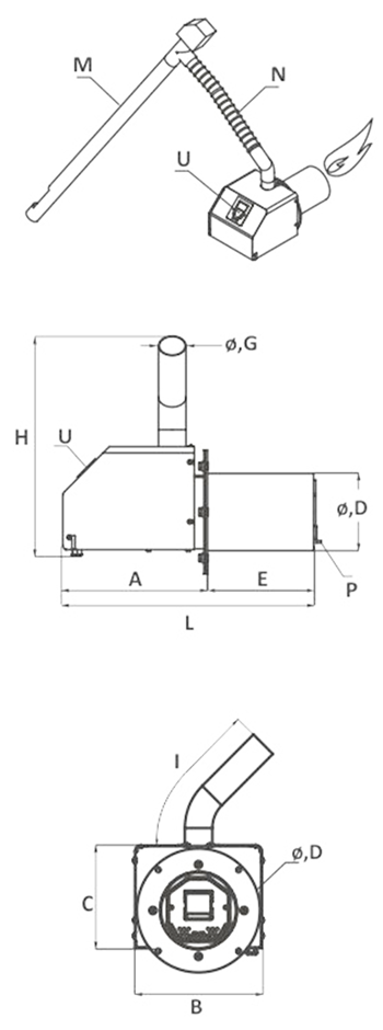
| Габаритни размери - Височина | H, mm | 520 | 520 |
| Габаритни размери - Широчина | L, mm | 591 | 723 |
| Габаритни размери - Дълбочина | B, mm | 240 | 274 |
| Корпус на горелката - Дължина | A, mm | 358 | 408 |
| Корпус на горелката - Височина | C, mm | 245 | 245 |
| Корпус на горивната камера - Диаметър | D, ф-mm | 170 | 170 |
| Корпус на горивната камера - Дължина | E, mm | 233 | 320 |
| Захранваща тръба - Диаметър | G, ф-mm | 60 | 60 |
| Захранваща тръба - Дължина | I, mm | 250 | 250 |
| Горивоподаващ шнек - Модел | M | Eco V2.1-L-25-40 | Eco V2.1-L-25-40 |
| Горивоподаващ шнек - Диаметър | G, ф-mm | 75 | 75 |
| Горивоподаващ шнек - Дължина | I, mm | 1500 | 1500 |
| 2000 | 2000 | ||
| 3000 | 3000 | ||
| Горивоподаващ шнек - Тегло | kg | 5,5 | 5,5 |
| 7,0 | 7,0 | ||
| 8,0 | 8,0 | ||
| Гъвкава тръба - Диаметър | N, ф-mm | 60 | 60 |
| Гъвкава тръба - Дължина | N, mm | 700 | 700 |
| Подвижна скара | P | ✔ | ✔ |
| Вградено микропроцесорно управление | U | ✔ | ✔ |
| Възможност за управление на помпи | Помпа за централно отопление | ||
| Помпа за БГВ | |||
ПРЕДИМСТВА НА ПЕЛЕТНИ ГОРЕЛКИ BURNiT Pell Eco V2.1
ЕЛЕМЕНТИ, ОСИГУРЯВАЩИ БЕЗОПАСНОСТ BURNiT Pell Eco V2.1
ЕЛЕМЕНТИ НА ПЕЛЕТНИ ГОРЕЛКИ BURNiT Pell Eco V2.1

1 – Mикропроцесорно управление
2 – Шнек за автоматично подаване на пелети
3 – Елктро мотор на шнека
4 – Гъвкава тръба
5 – Захранваща тръба
6 – Корпус на горелката
7 – Пелетна горелка
8 – Корпус на горивната камера
9 – Горивна камера
10 – Подвижна скара за удобно почистване на горелката