Натисни и виж цените и условията в акция
Натисни и виж базовата ценова листа
Натисни и поискай индивидуална оферта
Натисни и виж условията за доставка
Натисни и виж продуктовия каталог
Натисни и виж инструкциите за монтаж
Натисни и виж сертификатите
Натисни и виж декларациите за ХСП
ПЕЛЕТНИ ГОРЕЛКИ С ВЪТРЕШЕН ШНЕК - BURNIT Pell V2.1

НАЛИЧНИ В ИЗПЪЛНЕНИЯ:
ТЕХНИЧЕСКИ ХАРАКТЕРИСТИКИ - BURNIT Pell V2.1

| Описание | Мярка | Pell 25 | Pell 30 |
| Номинална мощност | kW | 25 | 30 |
| Акционна цена на пелетна горелка BURNIT Pell V2.1 |
лв / бр
с ДДС
|
2173,60 | 2212,55 |
| Минимална / максимална мощност | kW | 5 - 25 | 10 - 30 |
| Консумирана мощност в процес на запалване | W | 400 | 400 |
| Консумирана мощност в режим на работа | W | 60 - 70 | 60 - 70 |
| Консумирана мощност в режим на самопочистване | W | 1300 | 1300 |
| Електрическо захранване | V / Hz | 230 AC / 50 | 230 AC / 50 |
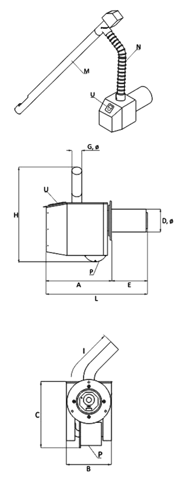
| Габаритни размери - Височина | H, mm | 575 | 575 |
| Габаритни размери - Дължина | L, mm | 615 | 615 |
| Габаритни размери - Ширина | B, mm | 245 | 245 |
| Минимален препоръчителен размер на горивната камера - Височина | mm | 250 | 350 |
| Минимален препоръчителен размер на горивната камера - Ширина | mm | 250 | 390 |
| Минимален препоръчителен размер на горивната камера - Дълбочина | mm | 390 | 550 |
| Шум при работа на горелка / шнек | dB | 40-45 / 10 | 40-45 / 10 |
| Шум при работа на самопочистваща система | dB | 65 - 67 | 65 - 67 |
| Необходима тяга на комина | Pa / mBar | 25 / 0,25 | 25 / 0,25 |
| Препоръчително гориво | Дървесни пелети ф6-ф8 / EN 14961-2 :2011 | ||
| Напорен вентилатор , степенно регулиращ | % | 0 - 100 | 0 - 100 |
| Фото датчик | ✔ | ✔ | |
| Комплект за присъединяване към котел (опция) | ✔ | ✔ | |
| Настройка на мощността | ✔ | ✔ | |
| Ефективност на горивния процес | % | 99 | 99 |
| Отдадена топлина | % | 96 | 96 |
| Тегло на горелката | kg | 17 | 21 |
| Корпус на горелката - Дължина | A, mm | 390 | 390 |
| Корпус на горелката - Ширина | B, mm | 245 | 245 |
| Корпус на горелката - Височина | C, mm | 360 | 360 |
| Корпус на горивната камера - Диаметър | D, ф-mm | 140 | 140 |
| Корпус на горивната камера - Дължина | E, mm | 220 | 220 |
| Захранваща тръба - Диаметър | G, ф-mm | 60 | 60 |
| Захранваща тръба - Дължина | I, mm | 250 | 250 |
| Автоматична самопочистваща система | P | ✔ | ✔ |
| Вградено микропроцесорно управление | U | ✔ | ✔ |
| Пламък на горелката - Дължина* | 750 | 900 | |
| Горивоподаващ шнек - Дължина | I, mm | 1500 | 1500 |
| 2000 | 2000 | ||
| 3000 | 3000 | ||
| Горивоподаващ шнек - Тегло | kg | 5,5 | 5,5 |
| 7,0 | 7,0 | ||
| 8,0 | 8,0 | ||
| Гъвкава тръба - Диаметър | N, ф-mm | 60 | 60 |
| Гъвкава тръба - Дължина | N, mm | 700 | 700 |
| Описание | Мярка | Pell 40 | Pell 70 |
| Номинална мощност | kW | 40 | 70 |
| Акционна цена на пелетна горелка BURNIT Pell V2.1 |
лв / бр
с ДДС
|
2602,05 | 3622,35 |
| Минимална / максимална мощност | kW | 10 - 40 | 15 - 70 |
| Консумирана мощност в процес на запалване | W | 400 | 400 |
| Консумирана мощност в режим на работа | W | 60 - 70 | 70 - 110 |
| Консумирана мощност в режим на самопочистване | W | 1300 | 1300 |
| Електрическо захранване | V / Hz | 230 AC / 50 | 230 AC / 50 |
| Габаритни размери - Височина | H, mm | 575 | 575 |
| Габаритни размери - Дължина | L, mm | 700 | 750 |
| Габаритни размери - Ширина | B, mm | 300 | 350 |
| Минимален препоръчителен размер на горивната камера - Височина | mm | 350 | 350 |
| Минимален препоръчителен размер на горивната камера - Ширина | mm | 450 | 390 |
| Минимален препоръчителен размер на горивната камера - Дълбочина | mm | 550 | 600 |
| Шум при работа на горелка / шнек | dB | 40-45 / 10 | 40-45 / 10 |
| Шум при работа на самопочистваща система | dB | 65 - 67 | 65 - 67 |
| Необходима тяга на комина | Pa / mBar | 27 / 0,27 | 30 / 0,30 |
| Препоръчително гориво | Дървесни пелети ф6-ф8 / EN 14961-2 :2011 | ||
| Напорен вентилатор , степенно регулиращ | % | 0 - 100 | 0 - 100 |
| Фото датчик | ✔ | ✔ | |
| Комплект за присъединяване към котел (опция) | ✔ | ✔ | |
| Настройка на мощността | ✔ | ✔ | |
| Ефективност на горивния процес | % | 99 | 99 |
| Отдадена топлина | % | 96 | 96 |
| Тегло на горелката | kg | 23 | 26 |
| Корпус на горелката - Дължина | A, mm | 390 | 390 |
| Корпус на горелката - Ширина | B, mm | 245 | 245 |
| Корпус на горелката - Височина | C, mm | 360 | 360 |
| Корпус на горивната камера - Диаметър | D, ф-mm | 170 | 170 |
| Корпус на горивната камера - Дължина | E, mm | 300 | 340 |
| Захранваща тръба - Диаметър | G, ф-mm | 60 | 60 |
| Захранваща тръба - Дължина | I, mm | 250 | 250 |
| Автоматична самопочистваща система | P | ✔ | ✔ |
| Вградено микропроцесорно управление | U | ✔ | ✔ |
| Пламък на горелката - Дължина* | 1000 | 1500 | |
| Горивоподаващ шнек - Дължина | I, mm | 1500 | 1500 |
| 2000 | 2000 | ||
| 3000 | 3000 | ||
| Горивоподаващ шнек - Тегло | kg | 5,5 | 5,5 |
| 7,0 | 7,0 | ||
| 8,0 | 8,0 | ||
| Гъвкава тръба - Диаметър | N, ф-mm | 60 | 60 |
| Гъвкава тръба - Дължина | N, mm | 700 | 700 |
| Описание | Мярка | Pell 90 | Pell 150 |
| Номинална мощност | kW | 90 | 150 |
| Акционна цена на пелетна горелка BURNIT Pell V2.1 |
лв / бр
с ДДС
|
По запитване | По запитване |
| Минимална / максимална мощност | kW | 30 - 90 | 10 - 30 |
| Консумирана мощност в процес на запалване | W | 400 | 400 |
| Консумирана мощност в режим на работа | W | 70 - 110 | 70 - 110 |
| Консумирана мощност в режим на самопочистване | W | 1300 | 1300 |
| Електрическо захранване | V / Hz | 230 AC / 50 | 230 AC / 50 |
| Габаритни размери - Височина | H, mm | 575 | 650 |
| Габаритни размери - Дължина | L, mm | 750 | 750 |
| Габаритни размери - Ширина | B, mm | 350 | 350 |
| Минимален препоръчителен размер на горивната камера - Височина | mm | 500 | 500 |
| Минимален препоръчителен размер на горивната камера - Ширина | mm | 500 | 500 |
| Минимален препоръчителен размер на горивната камера - Дълбочина | mm | 600 | 800 |
| Шум при работа на горелка / шнек | dB | 40-45 / 10 | |
| Шум при работа на самопочистваща система | dB | 65 - 67 | 65 - 67 |
| Необходима тяга на комина | Pa / mBar | 32 / 0,32 | 40 / 0,40 |
| Препоръчително гориво | Дървесни пелети ф6-ф8 / EN 14961-2 :2011 | ||
| Напорен вентилатор , степенно регулиращ | % | 0 - 100 | 0 - 100 |
| Фото датчик | ✔ | ✔ | |
| Комплект за присъединяване към котел (опция) | ✔ | ✔ | |
| Настройка на мощността | ✔ | ✔ | |
| Ефективност на горивния процес | % | 99 | 99 |
| Отдадена топлина | % | 96 | 96 |
| Тегло на горелката | kg | 28 | 32 |
| Корпус на горелката - Дължина | A, mm | 390 | 390 |
| Корпус на горелката - Ширина | B, mm | 245 | 330 |
| Корпус на горелката - Височина | C, mm | 360 | 410 |
| Корпус на горивната камера - Диаметър | D, ф-mm | 170 | 210 |
| Корпус на горивната камера - Дължина | E, mm | 340 | 340 |
| Захранваща тръба - Диаметър | G, ф-mm | 60 | 60 |
| Захранваща тръба - Дължина | I, mm | 250 | 250 |
| Автоматична самопочистваща система | P | ✔ | ✔ |
| Вградено микропроцесорно управление | U | ✔ | ✔ |
| Пламък на горелката - Дължина* | 750 | ||
| Горивоподаващ шнек - Дължина | I, mm | 1500 | 1500 |
| 2000 | 2000 | ||
| 3000 | 3000 | ||
| Горивоподаващ шнек - Тегло | kg | 5,5 | 5,5 |
| 7,0 | 7,0 | ||
| 8,0 | 8,0 | ||
| Гъвкава тръба - Диаметър | N, ф-mm | 60 | 60 |
| Гъвкава тръба - Дължина | N, mm | 700 | 700 |
ПРЕДИМСТВА НА ПЕЛЕТНИ ГОРЕЛКИ BURNIT Pell V2.1
ЕЛЕМЕНТИ, ОСИГУРЯВАЩИ БЕЗОПАСНОСТ BURNIT Pell V2.1
ЕЛЕМЕНТИ НА ПЕЛЕТНИ ГОРЕЛКИ BURNIT Pell V2.1

1 – Гъвкава тръба
2 – Електро мотор на шнека за гориво
3 – Шнек за автоматично подаване на пелети
4 – Микропроцесорно управление
5 – Захранваща тръба
6 – Тяло на горелката
7 – Пелетна горелка
8 – Корпус на горивната камера
9 – Горивна камера
10 – Самопочистваща система